|
|
| Re: Меряем ветер (анемометры) [сообщение #20196 является ответом на сообщение #3391] |
Fri, 12 November 2010 11:46   |
|
|
...недавно на рынке барахолке,одна женщина анемометр продавала.Модель шестьдесят-кагого-то года весь жалезный,циферблат размером с небольшую сковоротку.Правда и диапазон до 60-ти (шестидесяти!) м\с. хотел даже было купить прикола ради,правда цену заломила,как за современный швейцарский...
|
|
|
|
|
|
|
|
|
|
| Re: Меряем ветер (анемометры) [сообщение #20226 является ответом на сообщение #20223] |
Sun, 14 November 2010 15:54   |
Sancho
 Сообщений: 347 Зарегистрирован: February 2010 Географическое положение: г.Донецк
|
Гуру кайтостроения |
|
|
Да, из этого комплекта.... то Болоон но они не полные, колышки есть термометр, а вот фонаря , секундомера нет . Самих аника у меня 2...
"Летать и строить, строить и летать" С.П.Королев
|
|
|
|
|
|
|
|
| Re: Меряем ветер (анемометры) [сообщение #20232 является ответом на сообщение #20228] |
Sun, 14 November 2010 18:57   |
Sancho
 Сообщений: 347 Зарегистрирован: February 2010 Географическое положение: г.Донецк
|
Гуру кайтостроения |
|
|
Записная книга у меня есть, со всеми переводами, а секундомер можно купить или на телефоне...
"Летать и строить, строить и летать" С.П.Королев
|
|
|
|
|
|
| Re: Меряем ветер (анемометры) [сообщение #22187 является ответом на сообщение #22186] |
Sun, 23 January 2011 20:02   |
BALLOON
 Сообщений: 1213 Зарегистрирован: September 2009 Географическое положение: г. Борисоглеб�...
|
Гуру кайтостроения |

|
|
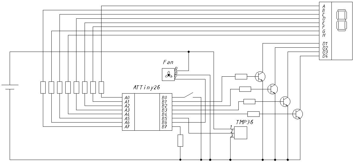
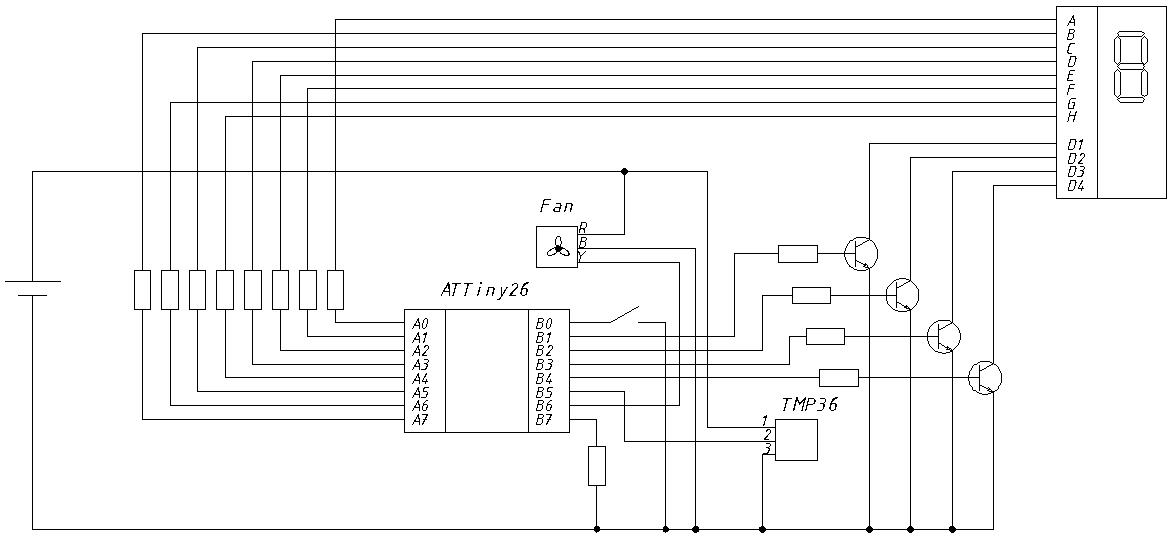
| AZhur писал(а) Вск, 23 Январь 2011 23:43 | Сварганил себе вот такой анемометр на базе микроконтроллера AVR
|
Ух ты.., вот это уже по взрослому!
По начинке, прям заводской!
Схему, где брал?
В каких единицах показывает скорость?
В схеме (источнике) использовался именно такой куллер?
Как делал дорожки на текстолите?
После сборки, требовалась калибровка? Если да, то посредством чего?
На фото, ни переменных, ни подстроичных резисторов не заметил.
И ещё один вопрос.
Начиная со скольки м\с начинает вращаться куллер?
Надо полагать, слабенькие ветер не показывает.
|
|
|
|
|
|
| Re: Меряем ветер (анемометры) [сообщение #22189 является ответом на сообщение #3391] |
Sun, 23 January 2011 22:02   |
AZhur
 Сообщений: 21 Зарегистрирован: January 2010 Географическое положение: СПб
|
Новичок со стажем |
|
|
- Схема там элементарная, для диплома делал частотомер в институте, вот и пригодилась.
- Скорость должен показывать в м/с, правда калибровать не по чему так что точность его пока оценить не могу.
- Плату делал травлением.
- Калибровку, в принципе, можно делать на ходу, изменением коэффициента в программе.
По питанию, у этого АВРа питание +4...+6 В где-то, хотелось использовать аккумуляторные батарейки, а у них напряжение 1,2В, отсюда 4 штуки.
На самом деле это скорее опытный образец, поэтому получился довольно топорно, если использовать чип-компоненты можно было плату уменьшить раза в четыре, а вообще конечно основные проблемы, озвученные Jazzz-ом в начале темы, по поводу корпуса и калибровки никуда не делись.
|
|
|
|
|
|
| Re: Меряем ветер (анемометры) [сообщение #22191 является ответом на сообщение #22190] |
Sun, 23 January 2011 23:32   |
BALLOON
 Сообщений: 1213 Зарегистрирован: September 2009 Географическое положение: г. Борисоглеб�...
|
Гуру кайтостроения |

|
|
| Rave_n писал(а) Пнд, 24 Январь 2011 02:53 | А калибровать можно на метео станции. подойти к людям и по их показаниям текущего ветра свериться....
|
Идея хорошая.
Единсно, самопальный анемометр придётся поднимать примерно на тужу высоту, что и анемометр метеостанции.
Воздух у земли не спокойный, сплошные ротора.., поэтому пара тройка метров разницы в высоте, может дать хорошую погрешность в показаниях. Если конечно, метеостанция не находится в открытом поле.
У нас, например.., метеостанция находится в черте города, среди кучи всяких зданий.
Но всё ровно, нужно будит сходить к ним в гости.
|
|
|
|
|
|
|
|
|
|
|
|
| Re: Меряем ветер (анемометры) [сообщение #23822 является ответом на сообщение #23819] |
Tue, 12 April 2011 22:44   |
V0id
 Сообщений: 229 Зарегистрирован: December 2009 Географическое положение: СПб
|
Самодельщик со стажем |
|
|
yurik писал(а) Втр, 12 Апрель 2011 19:26Кто-нибудь из наших брал такой анемометр и если да то какие отзывы?
У меня аналогичный, работает, с другими не сравнивал, купать не пробовал. Собственно со своей задачей оценки и сравнения ветра справляется. При -20оС работает. Есть один минус - в выключенном состоянии достаточно сильно кушает батарейку. У меня первую батарейку съел за полгода лежа в ящике стола. Поэтому рекомендую после каталки перевернуть батарейку вверх ногами, дабы полностью его обесточить.
Хуже большого кайта в передоз может быть только маленький кайт в передоз.
[Обновления: Tue, 12 April 2011 22:48] Известить модератора
|
|
|
|