Кайтинговый форум самодельщиков WindPower
Форум творческих личностей, которые любят экстремальный спорт и могут сами сделать себе снарягу (кайт, виндсерфинг).

Начало » Сделай кайт » Самодельщики » Меряем ветер (анемометры)
Re: Меряем ветер (анемометры) [сообщение #20192 является ответом на сообщение #20187] Fri, 12 November 2010 09:30 Переход к предыдущему сообщенияПереход к следующему сообщения
Здесь был Traglod   
Сообщений: 1155
Зарегистрирован: March 2007
Гуру кайтостроения
BALLOON писал(а) Чтв, 11 Ноябрь 2010 20:50


Sancho, как тебе удалось такой раздобыть? У кого? Военные, мин. ГО и ЧС.



У нас тоже у одного кайтера-серфера есть такой. Что мне в нем не нравится, то что надо его и держать на ветру и дергать веревочку и засекать по секундомеру время, короче в одного трудно. Ну и занижает этот девайс показания, так как чисто механический а механизм склонен засераться, кроме того хуже работает на холоде чем на жаре (зазоры уменьшаются) Smile.
Re: Меряем ветер (анемометры) [сообщение #20196 является ответом на сообщение #3391] Fri, 12 November 2010 11:46 Переход к предыдущему сообщенияПереход к следующему сообщения
vvs   
Сообщений: 2163
Зарегистрирован: December 2004
Географическое положение: Запорожье
Гуру кайтостроения

...недавно на рынке барахолке,одна женщина анемометр продавала.Модель шестьдесят-кагого-то года Cool весь жалезный,циферблат размером с небольшую сковоротку.Правда и диапазон до 60-ти (шестидесяти!) м\с. хотел даже было купить прикола ради,правда цену заломила,как за современный швейцарский...
Re: Меряем ветер (анемометры) [сообщение #20214 является ответом на сообщение #3391] Sat, 13 November 2010 21:15 Переход к предыдущему сообщенияПереход к следующему сообщения
Royzman   
Сообщений: 360
Зарегистрирован: November 2007
Географическое положение: Украина, Днеп�...
Гуру кайтостроения

Проще скинуться с ребятами с которыми катаеш и купить нормальную ветродувкоизмеритель Smile

Мы ориентируемся - если есть "барашки" на воде значить дует нормульно Smile
Re: Меряем ветер (анемометры) [сообщение #20215 является ответом на сообщение #20214] Sat, 13 November 2010 22:17 Переход к предыдущему сообщенияПереход к следующему сообщения
ТИМА   Russian Federation
Сообщений: 574
Зарегистрирован: May 2006
Географическое положение: Калуга
Гуру кайтостроения

Еще один раритетный анемометр:

index.php/fa/8406/0/
  • Вложение: DSCF0529_edit.JPG
    (Размер: 141.26KB, Загружено 1784 раза)
Re: Меряем ветер (анемометры) [сообщение #20223 является ответом на сообщение #3391] Sun, 14 November 2010 14:29 Переход к предыдущему сообщенияПереход к следующему сообщения
vvs   
Сообщений: 2163
Зарегистрирован: December 2004
Географическое положение: Запорожье
Гуру кайтостроения

... предлагаю в отдельной ветке сделать фотоподборку раритетных дивайсов. Cool

[Обновления: Sun, 14 November 2010 14:30]

Известить модератора

Re: Меряем ветер (анемометры) [сообщение #20226 является ответом на сообщение #20223] Sun, 14 November 2010 15:54 Переход к предыдущему сообщенияПереход к следующему сообщения
Sancho   Russian Federation
Сообщений: 347
Зарегистрирован: February 2010
Географическое положение: г.Донецк
Гуру кайтостроения
Да, из этого комплекта.... то Болоон но они не полные, колышки есть термометр, а вот фонаря , секундомера нет . Самих аника у меня 2...

"Летать и строить, строить и летать" С.П.Королев
Re: Меряем ветер (анемометры) [сообщение #20227 является ответом на сообщение #20226] Sun, 14 November 2010 16:05 Переход к предыдущему сообщенияПереход к следующему сообщения
Здесь был Traglod   
Сообщений: 1155
Зарегистрирован: March 2007
Гуру кайтостроения
Sancho писал(а) Вск, 14 Ноябрь 2010 15:54

, секундомера нет . Самих аника у меня 2...

Как же ты им воспользуешься без секундомера? Там надо засекать время.
Re: Меряем ветер (анемометры) [сообщение #20228 является ответом на сообщение #20227] Sun, 14 November 2010 17:23 Переход к предыдущему сообщенияПереход к следующему сообщения
ТИМА   Russian Federation
Сообщений: 574
Зарегистрирован: May 2006
Географическое положение: Калуга
Гуру кайтостроения

А ни как! тут еще нужен график или таблица для перевода в скорость ветра...
Re: Меряем ветер (анемометры) [сообщение #20232 является ответом на сообщение #20228] Sun, 14 November 2010 18:57 Переход к предыдущему сообщенияПереход к следующему сообщения
Sancho   Russian Federation
Сообщений: 347
Зарегистрирован: February 2010
Географическое положение: г.Донецк
Гуру кайтостроения
Записная книга у меня есть, со всеми переводами, а секундомер можно купить или на телефоне...

"Летать и строить, строить и летать" С.П.Королев
Re: Меряем ветер (анемометры) [сообщение #22186 является ответом на сообщение #3391] Sun, 23 January 2011 19:43 Переход к предыдущему сообщенияПереход к следующему сообщения
AZhur   Russian Federation
Сообщений: 21
Зарегистрирован: January 2010
Географическое положение: СПб
Новичок со стажем
Сварганил себе вот такой анемометр на базе микроконтроллера AVR

index.php/fa/9103/0/
  • Вложение: 100_2298_net.JPG
    (Размер: 149.14KB, Загружено 1660 раз)
Re: Меряем ветер (анемометры) [сообщение #22187 является ответом на сообщение #22186] Sun, 23 January 2011 20:02 Переход к предыдущему сообщенияПереход к следующему сообщения
BALLOON   Sweden
Сообщений: 1213
Зарегистрирован: September 2009
Географическое положение: г. Борисоглеб�...
Гуру кайтостроения

AZhur писал(а) Вск, 23 Январь 2011 23:43

Сварганил себе вот такой анемометр на базе микроконтроллера AVR


Ух ты.., вот это уже по взрослому! Cool
По начинке, прям заводской! Cool

Схему, где брал?

В каких единицах показывает скорость?

В схеме (источнике) использовался именно такой куллер?

Как делал дорожки на текстолите?

После сборки, требовалась калибровка? Если да, то посредством чего?
На фото, ни переменных, ни подстроичных резисторов не заметил.

И ещё один вопрос. Smile
Начиная со скольки м\с начинает вращаться куллер?
Надо полагать, слабенькие ветер не показывает.
Re: Меряем ветер (анемометры) [сообщение #22188 является ответом на сообщение #22186] Sun, 23 January 2011 21:26 Переход к предыдущему сообщенияПереход к следующему сообщения
Здесь был Traglod   
Сообщений: 1155
Зарегистрирован: March 2007
Гуру кайтостроения
AZhur писал(а) Вск, 23 Январь 2011 19:43

Сварганил себе вот такой анемометр на базе микроконтроллера AVR

index.php/fa/9103/0/

Добре! Только нафиг столько питания? Wink
Re: Меряем ветер (анемометры) [сообщение #22189 является ответом на сообщение #3391] Sun, 23 January 2011 22:02 Переход к предыдущему сообщенияПереход к следующему сообщения
AZhur   Russian Federation
Сообщений: 21
Зарегистрирован: January 2010
Географическое положение: СПб
Новичок со стажем
- Схема там элементарная, для диплома делал частотомер в институте, вот и пригодилась.
- Скорость должен показывать в м/с, правда калибровать не по чему так что точность его пока оценить не могу.
- Плату делал травлением.
- Калибровку, в принципе, можно делать на ходу, изменением коэффициента в программе.

По питанию, у этого АВРа питание +4...+6 В где-то, хотелось использовать аккумуляторные батарейки, а у них напряжение 1,2В, отсюда 4 штуки.

На самом деле это скорее опытный образец, поэтому получился довольно топорно, если использовать чип-компоненты можно было плату уменьшить раза в четыре, а вообще конечно основные проблемы, озвученные Jazzz-ом в начале темы, по поводу корпуса и калибровки никуда не делись.
Re: Меряем ветер (анемометры) [сообщение #22190 является ответом на сообщение #22189] Sun, 23 January 2011 22:53 Переход к предыдущему сообщенияПереход к следующему сообщения
Rave_n   Russian Federation
Сообщений: 622
Зарегистрирован: December 2007
Географическое положение: Ленинградска�...
Гуру кайтостроения
давно хотел себе на микроконтроллере собрать анемометр.... но знаний не хватает. поделись схемой и прошивкой. А калибровать можно на метео станции. подойти к людям и по их показаниям текущего ветра свериться....

Движущая сила человечества — дух творческой неудовлетворенности
Re: Меряем ветер (анемометры) [сообщение #22191 является ответом на сообщение #22190] Sun, 23 January 2011 23:32 Переход к предыдущему сообщенияПереход к следующему сообщения
BALLOON   Sweden
Сообщений: 1213
Зарегистрирован: September 2009
Географическое положение: г. Борисоглеб�...
Гуру кайтостроения

Rave_n писал(а) Пнд, 24 Январь 2011 02:53

А калибровать можно на метео станции. подойти к людям и по их показаниям текущего ветра свериться....

Идея хорошая. Smile
Единсно, самопальный анемометр придётся поднимать примерно на тужу высоту, что и анемометр метеостанции.

Воздух у земли не спокойный, сплошные ротора.., поэтому пара тройка метров разницы в высоте, может дать хорошую погрешность в показаниях. Rolling Eyes Если конечно, метеостанция не находится в открытом поле.

У нас, например.., метеостанция находится в черте города, среди кучи всяких зданий.

Но всё ровно, нужно будит сходить к ним в гости. Smile


Re: Меряем ветер (анемометры) [сообщение #22192 является ответом на сообщение #22189] Sun, 23 January 2011 23:50 Переход к предыдущему сообщенияПереход к следующему сообщения
Здесь был Traglod   
Сообщений: 1155
Зарегистрирован: March 2007
Гуру кайтостроения
AZhur писал(а) Вск, 23 Январь 2011 22:02

-

По питанию, у этого АВРа питание +4...+6 В где-то, хотелось использовать аккумуляторные батарейки, а у них напряжение 1,2В, отсюда 4 штуки.



Акумуляторы в топку, мороз плохо держат. Поставь от материнской платы литиевую батарейку на 3.3 вольта и контроллер менее прожорливый Smile Получится ляля.
Re: Меряем ветер (анемометры) [сообщение #22273 является ответом на сообщение #3391] Thu, 27 January 2011 10:17 Переход к предыдущему сообщенияПереход к следующему сообщения
AZhur   Russian Federation
Сообщений: 21
Зарегистрирован: January 2010
Географическое положение: СПб
Новичок со стажем
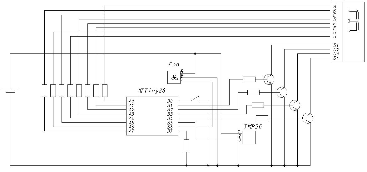
Схема выглядит как-то так:

index.php/fa/9110/0/

Файлы прошивки в архиве.

Да еще, если удалять обмотки с вентилятора надо не забыть вместо них вставить сопротивление.
  • Вложение: Anem.JPG
    (Размер: 64.59KB, Загружено 1670 раз)
  • Вложение: Anem.zip
    (Размер: 1.73KB, Загружено 492 раза)
Re: Меряем ветер (анемометры) [сообщение #22289 является ответом на сообщение #3391] Fri, 28 January 2011 07:58 Переход к предыдущему сообщенияПереход к следующему сообщения
ПРАКТИК   
Сообщений: 1027
Зарегистрирован: February 2010
Географическое положение: Крым, Гурзуф
Гуру кайтостроения
еще надо обязательно свободновращающийся кулер, а то не будет работать как надо, я уже с этим столкнулся Sad

index.php/fa/9112/0/

[Обновления: Fri, 28 January 2011 08:02]

Известить модератора

Re: Меряем ветер (анемометры) [сообщение #23819 является ответом на сообщение #22289] Tue, 12 April 2011 18:26 Переход к предыдущему сообщенияПереход к следующему сообщения
yurik   
Сообщений: 257
Зарегистрирован: July 2010
Географическое положение: казань
Самодельщик со стажем
Кто-нибудь из наших брал такой анемометр и если да то какие отзывы?index.php/fa/9751/0/
  • Вложение: 33539.jpg
    (Размер: 32.46KB, Загружено 1411 раз)
Re: Меряем ветер (анемометры) [сообщение #23822 является ответом на сообщение #23819] Tue, 12 April 2011 22:44 Переход к предыдущему сообщенияПереход к предыдущему сообщения
V0id   Russian Federation
Сообщений: 229
Зарегистрирован: December 2009
Географическое положение: СПб
Самодельщик со стажем
yurik писал(а) Втр, 12 Апрель 2011 19:26
Кто-нибудь из наших брал такой анемометр и если да то какие отзывы?

У меня аналогичный, работает, с другими не сравнивал, купать не пробовал. Собственно со своей задачей оценки и сравнения ветра справляется. При -20оС работает. Есть один минус - в выключенном состоянии достаточно сильно кушает батарейку. У меня первую батарейку съел за полгода лежа в ящике стола. Поэтому рекомендую после каталки перевернуть батарейку вверх ногами, дабы полностью его обесточить.


Хуже большого кайта в передоз может быть только маленький кайт в передоз.

[Обновления: Tue, 12 April 2011 22:48]

Известить модератора

Предыдущая тема: Как сделать растроповку в surfplan?
Следующая тема: Параски
Переход к форуму:
  


Текущее время: Thu Apr 30 07:30:14 EEST 2026